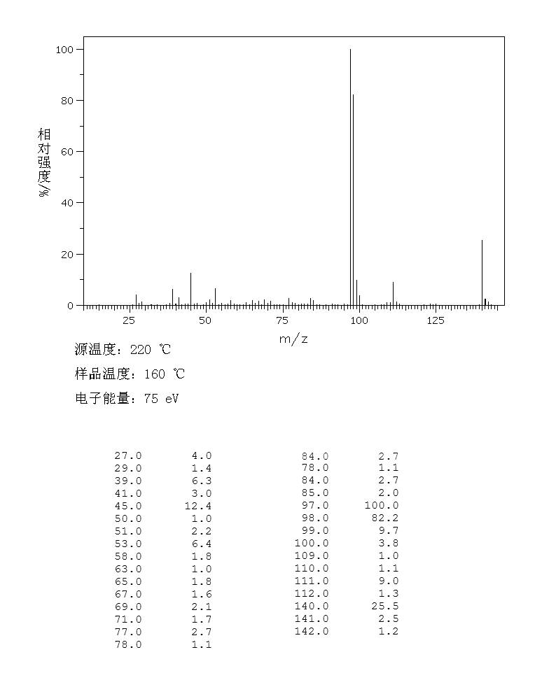
3-丁基噻吩
3-Butylthiophene
名称:3-丁基噻吩
英文名称:3-Butylthiophene
分子式:C8H12S
分子量:140.25 g/mol
标签:暂无
编号系统
34722-01-5
MFCD00143179
暂无
暂无
暂无
24873500
物性数据
暂无
毒理学数据
暂无
生态学数据
暂无
分子结构数据
1、 摩尔折射率:43.45
2、 摩尔体积(cm3/mol):144.7
3、 等张比容(90.2K):346.5
4、 表面张力(dyne/cm):32.8
5、 极化率:17.22
6、 介电常数:未确定
计算化学数据
1.疏水参数计算参考值(XlogP):无
2.氢键供体数量:0
3.氢键受体数量:1
4.可旋转化学键数量:3
5.互变异构体数量:无
6.拓扑分子极性表面积28.2
7.重原子数量:9
8.表面电荷:0
9.复杂度:71
10.同位素原子数量:0
11.确定原子立构中心数量:0
12.不确定原子立构中心数量:0
13.确定化学键立构中心数量:0
14.不确定化学键立构中心数量:0
15.共价键单元数量:1
性质与稳定性
暂无
贮存方法
暂无
合成方法
暂无
用途
暂无
安全信息
暂无
暂无
暂无
暂无
文献
暂无
备注
暂无
图谱
热门化学品



